
電動閥、電動蝶閥原理與接線更新日期:2020-03-07
電動閥、電動蝶閥原理與接線
電 動 閥
電動閥:電動調節閥(可以控制開度。可連續調節閥門)與電動閥(只能控制開關不能控制開度),交流一般3根線,火線、零線、地線。
電磁閥:智能開關閥門不能控制開度。通電開,斷電自動關閉復位。
電動調節閥接線:電源2根,開度控制2根,開度反饋2根,共六根。
電動閥接線:開與關控制3根(開1根,關1根,公共端1根),開到位與關到位3根(開到位1根,關到位1根,公共端1根),共計6根線。其中開到位與關到位為無源觸點。
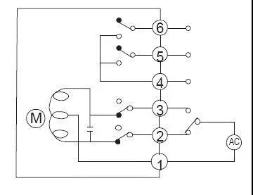
空調塔、冷水機組電動閥接線圖(此電動閥不能調節開度)。

空調冷水機組集水器、分水器電動調節閥接線圖 (電壓220V 4~20mA)

電 動 蝶 閥
電動蝶閥有普通型和智能型。普通型,當接通其電機,閥門便開或合,視電機正反轉而定;智能型如AC380V的,給其供AC380V后,電機不動,內部控制電路板可以工作。當給其輸入4—20mA電流時,做相應動作。4mA時關閉,20mA時打開。而且有4—20mA模擬量反饋信號,以反應它的閥門開度大小。
電動蝶閥由電動執行器和蝶閥組成,電動執行器為90度旋轉,有開關和調節式兩種控制方式,通過電動執行器旋轉帶動蝶閥的開啟與關閉。具備手動操作功能,在斷電時通過手動操作來開關蝶閥。
常見的電動蝶閥接線圖:

如下:開關型帶有源燈指示電動蝶閥接線圖,共有5根接線,1,2,3是控制部分,1,4,5是反饋部分。

開關型帶無源觸點型反饋電動蝶閥接線圖,1,2,3是控制部分接線,4,5,6為無源觸點反饋。

開關型帶開度信號反饋電動蝶閥接線圖。1,2,3為控制接線部分,4,5,6為反饋部分,輸出0-5K的電阻值,可以選定。
AC380V三相電源電動蝶閥接線圖:

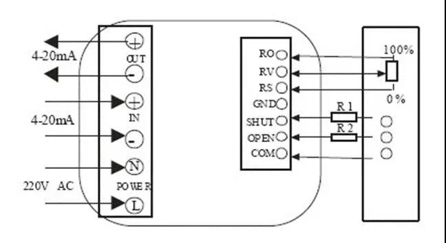
智能調節式電動蝶閥接線圖,輸入輸出4-20mA:

上一篇:D942SH-25電動雙向壓蝶閥 下一篇:D343H-16P電動三偏心蝶閥






