

D643W氣動不銹鋼法蘭硬密封蝶閥PN6~PN25
產品概述 D643W氣動法蘭硬密封蝶閥PN6~PN25流體阻力較小,中大口徑的氣動法蘭蝶閥全開時有效流通面積較大,啟閉迅速省力,碟板旋轉90角度即可完成啟閉,由于轉軸兩側碟板手介質作用力接近相等,而產生的轉矩方向相反,因而啟閉力矩較小,低壓下可實現良好的...
- 產品詳情
產品概述
D643W氣動法蘭硬密封蝶閥PN6~PN25流體阻力較小,中大口徑的氣動法蘭蝶閥全開時有效流通面積較大,啟閉迅速省力,碟板旋轉90角度即可完成啟閉,由于轉軸兩側碟板手介質作用力接近相等,而產生的轉矩方向相反,因而啟閉力矩較小,低壓下可實現良好的密封。氣動法蘭蝶閥廣泛應用于冶金、電力、石油、化工、空氣、煤氣、可燃氣體以及給排水等腐蝕性介質的管道上。采用標準
設計標準:GB/T12238-1989;法蘭連接尺寸:GB/T9113.1-2000;GB/T9113.2-2000 GB/T9115.1-2000;GB/T9115.2-2000;
結構長度:GB/T12221-1989;
壓力試驗:GB/T13927-1992;JB/T9092-1999 ;
主要零件材質表

| 序號 | 零件名稱 | 材質 | ||
|---|---|---|---|---|
| Z | C | P | ||
| 1 | 內六角螺釘 | 1Cr18Ni9Ti | 1Cr18Ni9Ti | 1Cr18Ni12Mo2Ti |
| 2 | 閥蓋 | WCB | 1Cr18Ni9Ti | ZG1Cr18Ni12Mo2Ti |
| 3 | 墊片 | 1Cr18Ni9Ti | 1Cr18Ni9Ti | 1Cr18Ni12Mo2Ti |
| 4 | 閥座 | 不銹鋼+柔性石墨、PTFE | ||
| 5 | 墊片 | 1Cr18NI9Ti | 1Cr18Ni9TI | 1Cr18Ni12Mo2Ti |
| 6 | 蝶板 | WCB | ZG1Cr18Ni9Ti | ZG1Cr18Ni12Mo2Ti |
| 7 | 圓柱銷 | 45 | 1Cr18Ni9Ti | 1Cr18Ni12Mo2Ti |
| 8 | 下蓋 | WCB | ZG1Cr18Ni9Ti | ZG1Cr18Ni12Mo2Tl |
| 9 | 墊片 | 不銹鋼+柔性石墨、PTFE | ||
| 10 | 襯套 | PTFE復合軸承 | ||
| 11 | 閥體 | WCB | ZG1Cr18Ni9Ti | ZG1Cr18Ni12Mo2Ti |
| 12 | 閥桿 | 1Cr13 | 1Cr18Ni9Ti | 1Cr18Ni12Mo2Ti |
| 13 | 支架 | WCB | WCB | WCB |
| 14 | 鍵 | 45 | 45 | 45 |
| 15 | 襯套 | PTFE復合軸承 | ||
| 16 | 填料 | 柔性石墨、PTFE | ||
| 17 | 壓蓋 Gland | WCB | ZG1Cr18Ni9Ti | ZG1Cr18Ni12Mo2Ti |
| 18 | 氣動執巧器 | AT系列、AW系列 | ||
注:系列蝶閥主要零部件及密封閣的材質可相據實際工況條件或用戶特殊要求設計迭用。
主要性能指標
| 回差 | 帶定位器:小于全行程的2% |
|---|---|
| 基本誤差 | 帶定位器:小于全行程的±2% |
| 泄露量l/h | 符合ANSI B16.104 IV級標準 |
| 可調范圍R | 50:1 |
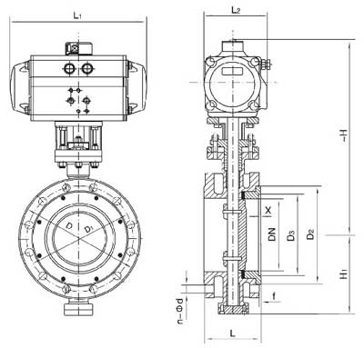
產品外形結構尺寸圖

安裝注事事項:
1、安裝前應核對蝶閥規格、壓力、溫度、耐腐性是否滿足使用要求。 應檢查各零部件是否損壞或松動。
2、本蝶閥可安裝在任意角度的管道上,應關閉安裝為宜;焊接管道法蘭時應將閥門密封口用板擋住以防止顆粒、雜物挫傷密封面,焊后取下 閥門,對閥門密封面及管道內腔進行清潔,然后再安裝固定閥門。
3、安裝時請注意閥門關閉狀態承壓方向。
4、安裝前應將密封面(兩端密封面、蝶板密封面、閥座密封面)徹底擦干凈,去掉灰塵和污物。
5、安裝前應空試蝶閥,啟閉應靈活,啟閉位置與指針指示位置相符合。
6、手動操作順時針為關,逆時針為開,指針指示到位后不準再加力啟閉閥門。
7、閥門做壓力試驗時,不準用單法蘭進行安裝試壓,采用雙法蘭安裝試壓。其試驗壓力應符合GB/T13927-92標準規定。
8、緊固螺栓時應對稱交替進行緊固,不準依次單獨緊固。
9、限位螺釘出廠前,已經調好,不準輕易調整。若配置驅動裝置為電動、氣動請閱配套驅動裝置說明書。
10、電動蝶閥出廠時已將控制機構的啟閉行程調好。為防止電源接通時方向搞錯,用戶在次接通電源前要先手動開啟到半開位置,再按點動開關,檢查指示盤方向與閥門開啟方向一致即可。
11、發現閥門啟閉失常應查明原因進行修理和排除,防止用加力方法開關閥門,造成閥門的損壞。





