

L型Q44F手動三通球閥
產品概述 L型Q44F手動 三通球閥 的兩閥座密封三通球閥結構緊湊、外型美觀、密封性能好。L型三通球閥適用于介質流向的切換,能使相互垂直的兩個通道連通。(如下L型流向圖) 結構特點及用途 1、結構緊湊、啟閉迅速、流道暢通、流體阻力...
- 產品詳情
產品概述
L型Q44F手動三通球閥的兩閥座密封三通球閥結構緊湊、外型美觀、密封性能好。L型三通球閥適用于介質流向的切換,能使相互垂直的兩個通道連通。(如下L型流向圖)
結構特點及用途
1、結構緊湊、啟閉迅速、流道暢通、流體阻力小。
2、密封性能好:利用四面閥座材料聚四氟乙烯彈性變形實現無泄漏密封。
3、_閥多用:任一通□可用作入□而無泄漏,三通既可制成L型通□,也可制成T型通口。
4、維修方便:在系統卸壓后,無需拆下整個代體就可進行檢查和維修。
5、廣泛適用于供水、石化、冶金、礦山、輕紡、能源、造紙、食品、鋼鐵等管路系統中對介質流向進行切換以及對介質的分流或混合流體。
主要性能參數
主要零件材料
L型Q44F手動三通球閥的兩閥座密封三通球閥結構緊湊、外型美觀、密封性能好。L型三通球閥適用于介質流向的切換,能使相互垂直的兩個通道連通。(如下L型流向圖)

1、結構緊湊、啟閉迅速、流道暢通、流體阻力小。
2、密封性能好:利用四面閥座材料聚四氟乙烯彈性變形實現無泄漏密封。
3、_閥多用:任一通□可用作入□而無泄漏,三通既可制成L型通□,也可制成T型通口。
4、維修方便:在系統卸壓后,無需拆下整個代體就可進行檢查和維修。
5、廣泛適用于供水、石化、冶金、礦山、輕紡、能源、造紙、食品、鋼鐵等管路系統中對介質流向進行切換以及對介質的分流或混合流體。
主要性能參數
|
公稱壓力 PN(MPa) |
試驗壓力 | ||
| 殼體 | 高壓液密封 | 低壓液密封 | |
| 1.6 | 2.4 | 1.76 | 0.6 |
| 2.5 | 3.75 | 2.75 | |
| 4.0 | 6.0 | 4.4 | |
| CLASS150 | 3.0 | 2.2 | |
| 適用工況 | 適用介質 | 水、油品、氣等非腐蝕介質和酸堿腐蝕介質 | |
| 適用溫度 | -28~350℃ | ||
| 應用規范 | 連接法蘭 |
JB79-59 GB9113、 HG20592-97、ANSI B16.5 |
|
| 檢驗試驗 | JB/T 9092-99 、API598 | ||
主要零件材料
| 零件名稱 | 材質 | |
| GB | ASTM | |
| 閥體、閥蓋 | WCB | A216-WCB |
| 密封圈 | PTFE、對位聚苯 | PTFE、對位聚苯 |
| 球體 | 1Cr18Ni9Ti | SS 304 |
| 閥座、閥桿 | 2Cr13 | A246-416 |
| 雙頭螺栓 | 35CrMoA | A193-B7 |
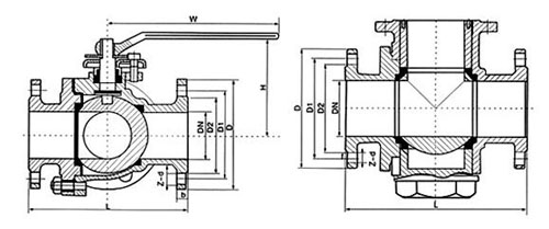
主要外形連接尺寸

| 型號 |
公稱通徑 DN(mm) |
尺寸(mm) | |||||||||
| L | L1 | D | D1 | D2 | b | f | Z-d | H | W | ||
| Q44F-16C | 15 | 150 | 72 | 95 | 65 | 45 | 14 | 2 | 4-14 | 95 | 130 |
| 20 | 160 | 80 | 105 | 75 | 55 | 14 | 2 | 4-14 | 110 | 130 , | |
| 25 | 180 | 90 | 115 | 85 | 65 | 14 | 2 | 4-14 | 120 | 140 | |
| 32 | 200 | 100 | 135 | 100 | 78 | 16 | 2 | 4-18 | 144 | 180 | |
| 40 | 220 | 110 | 145 | 110 | 85 | 16 | 3 | 4-18 | 152 | 220 | |
| 50 | 240 | 120 | 160 | 125 | 100 | 16 | 3 | 4-18 | 182 | 220 | |
| 65 | 260 | 130 | 180 | 145 | 120 | 16 | 3 | 4-18 | 193 | 240 | |
| 80 | 280 | 140 | 195 | 160 | 135 | 20 | 3 | 8-18 | 217 | 270 | |
| 100 | 320 | 160 | 215 | 180 | 155 | 20 | 3 | 8-18 | 245 | 350 | |
| 125 | 380 | 190 | 245 | 210 |
185 |
22 | 3 | 8-18 | 282 | 500 | |
| 150 | 440 | 220 | 280 | 240 | 210 | 24 | 3 | 8-23 | 319 | 600 | |
| 200 | 550 | 260 | 335 | 295 | 265 | 26 | 3 | 12-23 | 380 | 1000 | |
| 250 | 670 | 310 | 405 | 355 | 320 | 30 | 3 | 12-25 | 460 | 1400 | |
| 300 | 720 | 370 | 460 | 410 | 375 | 30 | 3 | 12-25 | 520 | 1800 | |
聲明:本文中所有文字、數據、圖片均只適用于參考,L型Q44F手動三通球閥性能參數、結構尺寸參數、價格等詳情,請聯系我們,電話:021-80392609。




